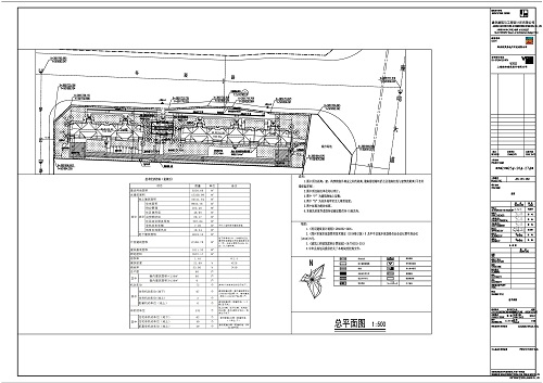
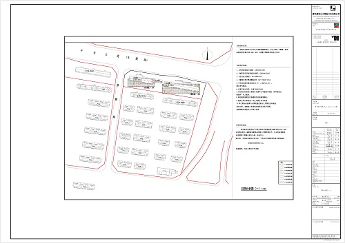
项目名称: | 普罗城2号院25#、26#、27#楼 |
类 型: | 建设工程规划许可证 |
公示/公告类别: | 批前公示 |
建设/用地单位: | 郑州普罗房地产开发有限公司 |
用地位置: | 大孟镇冬凝路南、梦蝶路东 |
用地面积: | 8350.66㎡ |
总建筑面积: | 15330.99㎡ |
本次报建建筑面积: | 15330.99㎡ |
建筑密度: | 21.69% |
容积率: | 1.45 |
绿地率: | 33.80% |
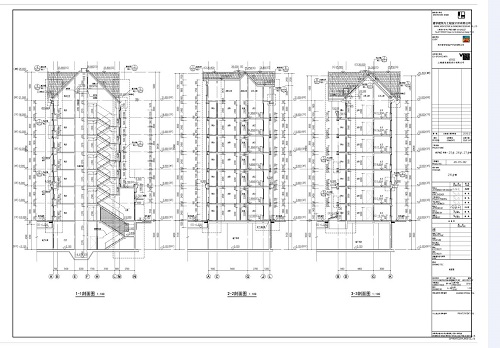
建筑高度: | 23.921米 |
停车位: | 机动车停车位75辆;非机动车停车位131辆 |
公示期限: | 10个工作日 |
公示日期: | 2018年12月05日 |
截止日期: | 2018年12月18日 |
经办科室: | 工程规划科 |
咨询电话: | 0371-62105002 |
经 办 人: | 张萌 |
附加说明: | 查询详细内容,请出示身份证明,到我局办理相关手续后查询。依据《城乡规划法》、《行政许可法》、《河南省城市规划公示制度》等有关法律法规,特此公示。如有意见和建议,请于公示时间内向我局反馈。 信访办电话:0371-62105008。 |
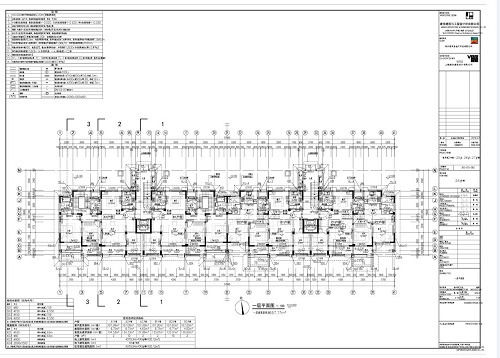
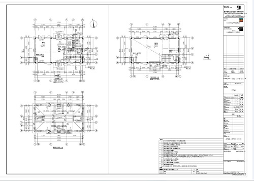
详细内容: | 总平图、设计方案主要平面图、立面图、效果图、日照分析图、指标表,该公示为征求意见公示。 |









